Профиль PDS-F-HIDE-2000 (Arlight, Алюминий) 024017 в Курске
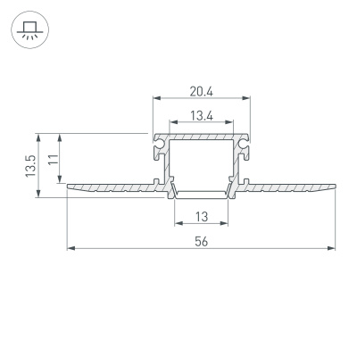
Алюминиевый встраиваемый профиль со скрытым фланцем под строительную отделку для основного освещения и контурной подсветки. Габаритные размеры профиля составляют 2000 мм в длину, 56 мм в ширину и 13,4 мм в высоту. Площадка для установки светодиодных лент позволяет использовать ленту шириной до 13,4 мм и мощностью до 31,4 Вт/м. Это обеспечивает гибкость в выборе светодиодных лент и создает потрясающие световые решения. Поставляется в комплекте с дополнительным экраном, который служит защитой профиля от пыли при монтаже. Экраны, заглушки и другие аксессуары не включены в комплект и приобретаются отдельно. Цена указана за 1 метр профиля. Отличное решение для создания современных световых проектов.
Алюминиевый профиль для светодиодных лент и линеек. Габаритные размеры (L×W×H): 2000x56x13,5 мм. Ширина площадки для ленты 13,4 мм. Экраны, заглушки и другие аксессуары приобретаются отдельно. Цена за 1 метр. Поставляется в комплекте с дополнительным экраном, который служит защитой профиля от пыли при монтаже.
024017 Arlight Профиль Встраиваемый со скрытым фланцем С фланцем Серебристый в Курске
Вы можете заказать Профиль Arlight с доставкой или самовывозом в Курске
просто достаточно позвонить менеджеру и сообщить артикул товара: 024017 или оформить заказ на сайте Arlight Shop Курск
Инструкции и файлы
Характеристики
|
Объем м3
|
0.001568 |
|
Гарантия м.
|
24 |
|
Материал корпуса
|
Алюминий |
|
Способ монтажа
|
Встраиваемый со скрытым фланцем |
|
Назначение
|
Для ГКЛ |
|
Форма (сечение)
|
С фланцем |
|
Цвет покрытия
|
Серебристый |
|
Тип товара
|
Профиль |
|
Гарантийный срок
|
2 год(а) |
|
Модельный ряд
|
PDS |
|
Способ установки профиля
|
Встраиваемый со скрытым фланцем |
|
КПД профиля (cветовой)
|
73 % |
|
Рассеиваемая тепловая мощность на 1м
|
max: 31.4 W |
|
Ширина световой линии
|
13 мм |
|
Внешний вид поверхности
|
Глянцевая |
|
Покрытие поверхности
|
Без покрытия |
|
Длина
|
2000 мм |
|
Ширина
|
56 мм |
|
Высота
|
13.5 мм |
|
Ширина площадки
|
13.4 мм |
|
Глубина установки источника света
|
11 мм |
|
Кратность цены за 1 м/шт
|
1 |
|
Мощность (прайс)
|
31.4 Вт |




